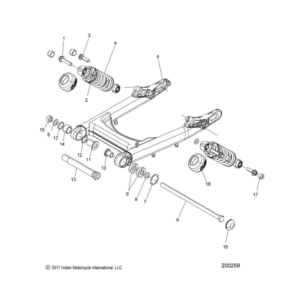
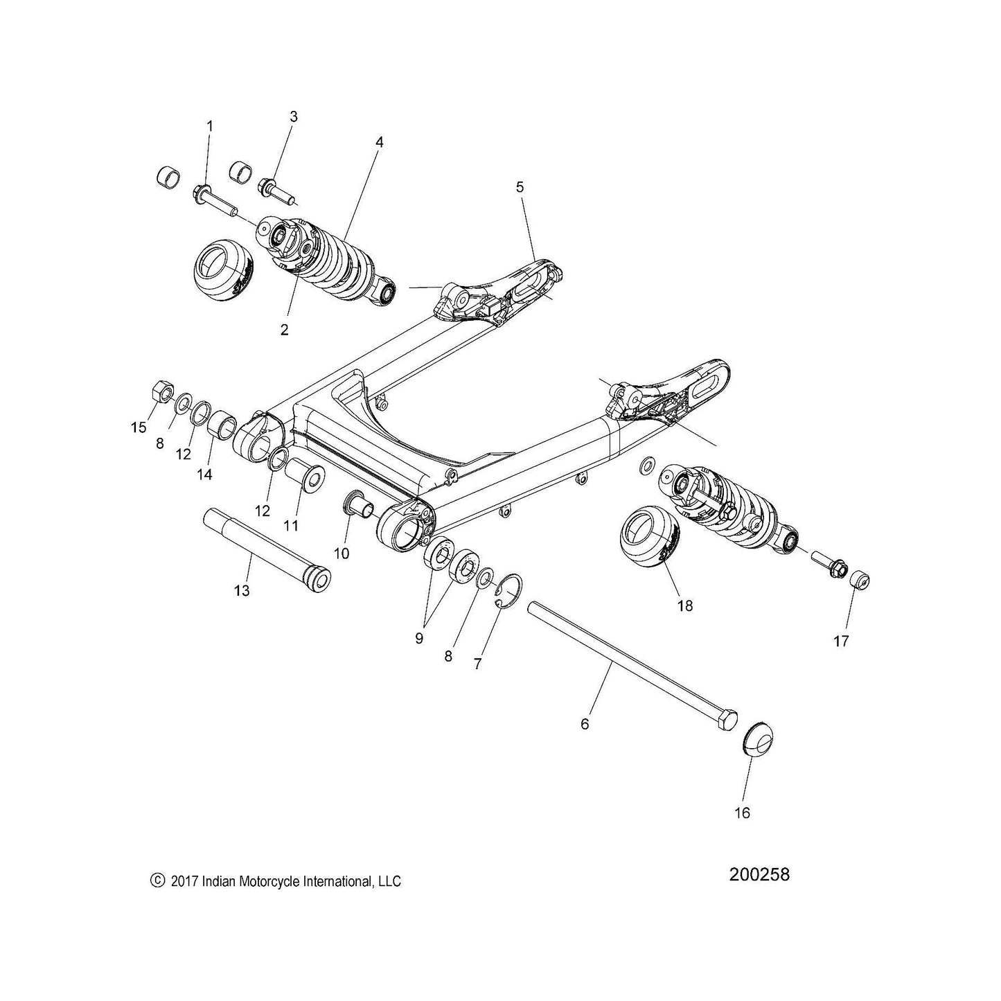
Victory Motorcycles Indian Motorcycle Hex Head, 16 mm x 1.5 mm x 340 mm, Genuine OEM Part 7519929, Qty 1

7519929
Regular price $49.99
Description
Shipping

Selling fast

California Residents