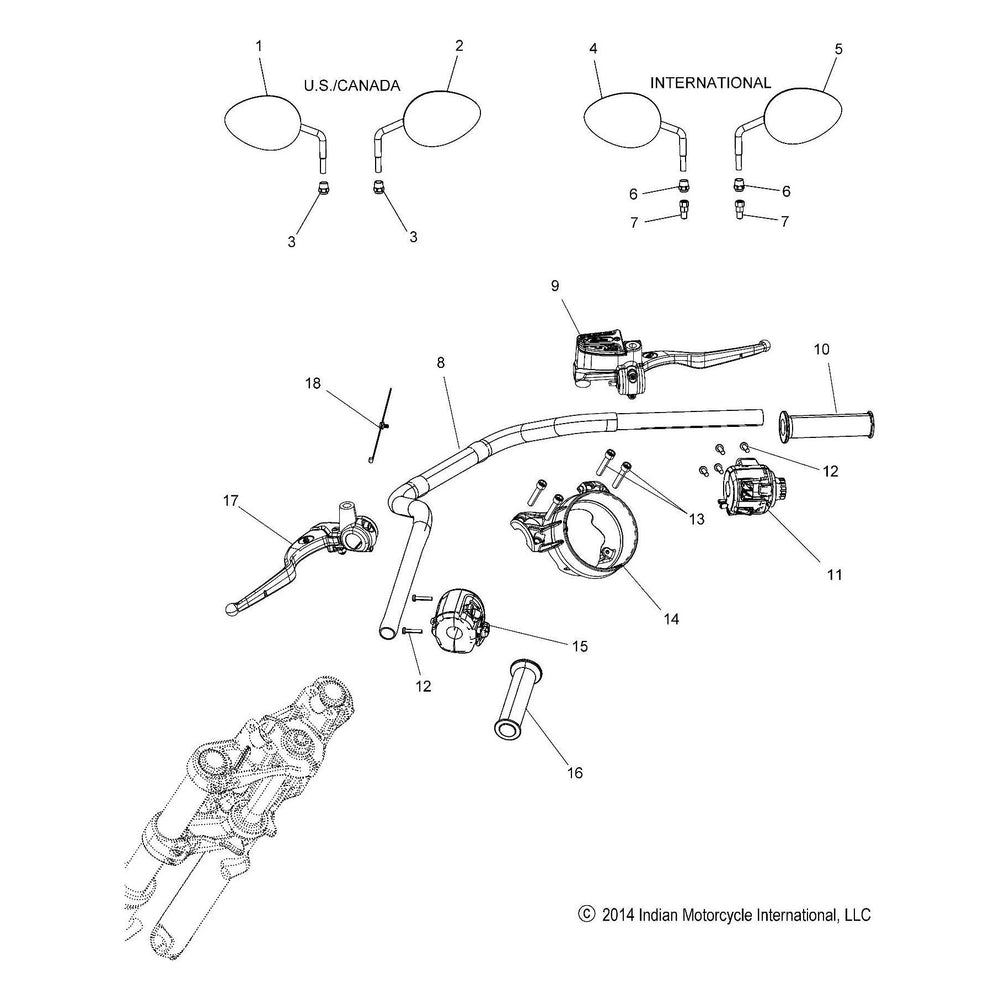
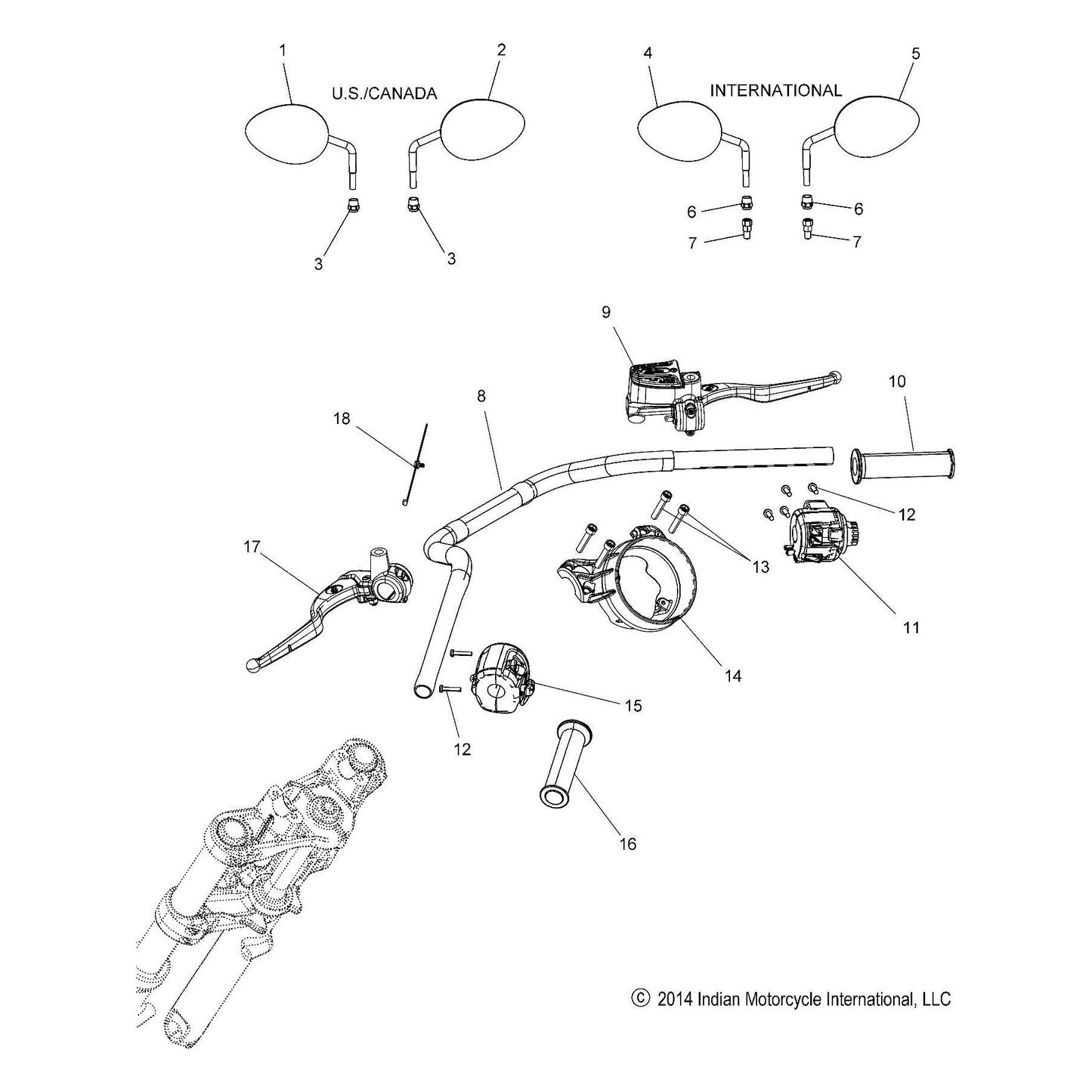
Indian Motorcycle Handlebars Assembly, SWG, N, Cruiser Black, Genuine OEM Part 1021739-266, Qty 1

1021739-266
Regular price $159.99
Description
Shipping

Selling fast

California Residents